您的位置:皇维工业 >>所有分类 >> 低压电器产品、电气设备系列 >> 继电器 >> 继电器配件 >> 韩国三和EUCR-3C 60R 110D V|韩国三和EUCR-3C电动机保护器
你是不是想采购继电器配件? 点此留言给我们客服,一站式采购继电器配件更简单!
  • 相关关键字:韩国三和EUCR-3C 60R 110D V|韩国三和EUCR-3C电动机保护器
    • 型号:韩国三和EUCR-3C 60R 110D V|韩国
    • 供应商:韩国三和EOCR [公司网站]
    • 所在地:中国 上海 
    • 联系人: 李小翠  QQ交谈
    • 价格:暂无报价请咨询[021-51699285]
    • 库存号:VIB20090708235036734 代号:
    • 库存状态:货期待查

     

    密集型设计
    二个集成组装电流互感器 
    欠载保护(空转保护)
    宽的电流调整范围
    定时限跳闸特性
    手动即时复位/电动远距离复位
    强的环境适应性
    “无-失效-安全”工作


    韩国三和EUCR-3C 保  护 

     
    保护项目

    跳闸时间

    欠电流(空转)

    U-TIME

     
    韩国三和EUCR-3C 技术指标
     

    电流设定

    型号

    设定范围

    05

    0.5~ 6A

    30

    3 ~ 30A

    60

    5~ 60A

    100~600

    05型加装外接CT(电流变比:100/5-600/5)

    跳闸时间设定

    O-TIME

    0.2 ~ 30秒

    复位 手动(即时)电动(远距离)
    时间-电流特性 定时限

    电源

    电压 24

    24VAC/DC

    110 110VAC
    220 220VAC
    频率 50/60HZ

    继电器输出

    型式

    1-SPDT(IC)

    负载 3A / 250VAC 阻性

    状态

    常态被激励

    安装

    35mm 道轨/配电盘安装

     
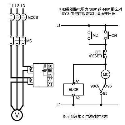
    韩国三和EUCR-3C 典型参考图/接线图/安装尺寸图
     


    型号名称

    装箱数

    价格

    韩国三和EUCR-3C 60R 110D V

    10

    询价

    韩国三和EUCR-3C 30R 110D V

    10

    询价

    韩国三和EUCR-3C 05R 110D V

    10

    询价

    韩国三和EUCR-3C 60R 220D V

    10

    询价

    韩国三和EUCR-3C 30R 220D V

    10

    询价

    韩国三和EUCR-3C 05R 220D V

    10

    询价

    韩国三和EUCR-3C 60N 110D V

    10

    询价

    韩国三和EUCR-3C 30N 110D V

    10

    询价

    韩国三和EUCR-3C 05N 110D V

    10

    询价

    韩国三和EUCR-3C 60N 220D V

    10

    询价

    韩国三和EUCR-3C 30N 220D V

    10

    询价

    韩国三和EUCR-3C 05N 220D V

    10

    询价
    以上是发布于2023-9-12 16:59:45的 韩国三和EUCR-3C 60R 110D V|韩国三和EUCR-3C电动机保护器 详细信息 ,如果您对韩国三和EUCR-3C 60R 110D V|韩国三和EUCR-3C电动机保护器厂家的价格、厂家、型号、图片有什么疑问,请 联系供应商 向工程师提问
     
     
    继电器配件的相关产品 点击查看"继电器配件"产品专题
     


    首页  丨 关于我们联系我们法律申明付款方式供应商加盟荣誉客户招贤纳才业务流程
     
    Email:13611905823@163.com MRO工业品平台  
    服务时间:周一至周五:9:00~17:30 MRO工业品平台  
    © 2009~2011 http://www.vibmro.com/ 领振实业
    皇维工业保留所有权利 沪ICP备13007560号-3