您的位置:皇维工业 >>所有分类 >> 低压电器产品、电气设备系列 >> 继电器 >> 继电器配件 >> 韩国三和SDDR-BF7|韩国三和SDDR自启动继电器
你是不是想采购继电器配件? 点此留言给我们客服,一站式采购继电器配件更简单!
  • 相关关键字:韩国三和SDDR-BF7|韩国三和SDDR自启动继电器
    • 型号:韩国三和SDDR-BF7|韩国三和SDDR自启动继
    • 供应商:韩国三和EOCR [公司网站]
    • 所在地:中国 上海 
    • 联系人: 李小翠  QQ交谈
    • 价格:暂无报价请咨询[021-51699285]
    • 库存号:VIB20090708213640734 代号:
    • 库存状态:货期待查

     

    SDDR继电器用于接触器控制的电动机拖动,当发生电源瞬时断电而又恢复供电时,它能使系统自动再投入运行
    对发生电源瞬时断电而又恢复供电的,其允许中断时间是可以设定的,但不得大于10秒,通过电位器SDDT鉴定
    恢复供电后,电动机的再启动可以有0-30秒的延迟,通过电位器DOMT鉴定,实现电动机分批启动的目的
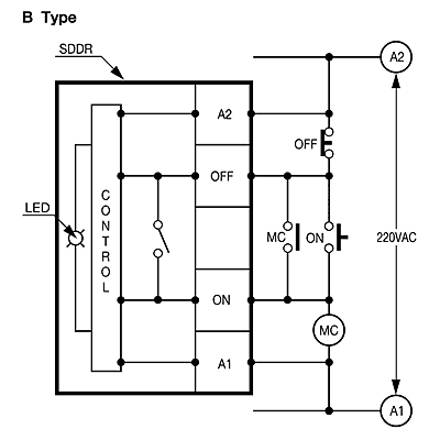
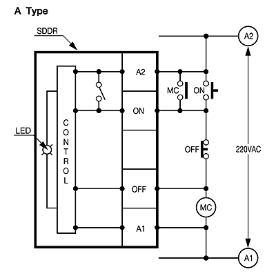
    适用于两种不同的控制线路,SDDR有A型和B型两种不同的规格


    韩国三和SDDR 保  护

     

     
    保护项目

    动作(跳闸)时间

    断电自启动

    O-TIME

     
    韩国三和SDDR 技术条件
     
     
    韩国三和SDDR 典型参考图/接线图/安装尺寸图
     








    型号名称

    装箱数

    价格

    韩国三和SDDR-AM7

    10

    询价

    韩国三和SDDR-BM7

    10

    询价
    韩国三和SDDR-AF7 10 询价

    韩国三和SDDR-BF7

    10

    询价

    韩国三和SDDR-A 110/220V

    10

    询价
    韩国三和SDDR-B 110/220V 10 询价
     
    以上是发布于2023-9-12 0:11:53的 韩国三和SDDR-BF7|韩国三和SDDR自启动继电器 详细信息 ,如果您对韩国三和SDDR-BF7|韩国三和SDDR自启动继电器厂家的价格、厂家、型号、图片有什么疑问,请 联系供应商 向工程师提问
     
     
    继电器配件的相关产品 点击查看"继电器配件"产品专题
     


    首页  丨 关于我们联系我们法律申明付款方式供应商加盟荣誉客户招贤纳才业务流程
     
    Email:13611905823@163.com MRO工业品平台  
    服务时间:周一至周五:9:00~17:30 MRO工业品平台  
    © 2009~2011 http://www.vibmro.com/ 领振实业
    皇维工业保留所有权利 沪ICP备13007560号-3