|
◐ 以高质量的产品回应客户需求.
PISCO提供广泛领域的扭动产品,力求质量与成本的平衡,以满足客户需求同时,我们可通过预先送货系统来实现迅速与可靠的发货.
◐ 解决客户问题(备有特殊环境的各种产品)
PISCO不仅准备了标准的产品,还有一些应用于特殊环境的产品,即使我们目前标准产品线不能满足客户的需求,我们会根据客户的需求提供定制
◐ 最好的解决方案.质量和环境(通过提供产品质量能让客户获得信任和满意
自从PISCO成立以来,我们向客户承诺导向开发和生产,1994年我们的产品获得ISO9001质量认证.我们的质量口号是:"嬴得客户的信任和满意“。1998年为了环境和持续发展,我们获得了14001环保认证。环境政策口号是“为了我们地球的生命”所有员工参与了生态活动。
◐ PISCO Products 产品指南
◐ 接头系列 (快速接头、压合接头、极小型接头)
◐ 控制器系列 (调速器、调压阀、精炼设备)
◐ 阀门系列
◐ 真空系列 (真空发生器、真空吸盘、相关真空装置)
◐ 致动器系列
◐ 管类系列 (直管、合并排管、真空气管)
◐ 塑胶轨道链条系列
◐ 机器人零件系列
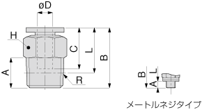
日本PISCO通用接头
PC4-01,直通接头,通用接头,pisco上海代理,标准接头,模具接头 价格|型号|实图|参数

