回到首页
帮助中心
收藏本站
繁體中文
品牌大全
行业动态
搜索风云榜
WAP手机站
型号
供应商加盟
021-51699285
热门搜索:
HF PNEUMATIK 哈佛气缸
|
YUKEN榆次油研
|
研深電機 Yen Power
|
FESTO费斯托
|
更多...
您的位置:
皇维工业
>>
所有分类
>>
低压电器产品、电气设备系列
>>
互感器
>>
电压互感器
>> JLSZ-10三相三线组合互感器(干式)计量器
你是不是想采购电压互感器?
点此留言给我们客服
,一站式采购
电压互感器
更简单!
相关关键字:
JLSZ-10三相三线组合互感器(干式)计量器
JLSZ-10三相三线组合互感器(干式)计量器
型号:
JLSZ-10三相三线组合互感器(干式)计量器
供应商:
ANGESUN互感器
[公司网站]
所在地:中国 上海
联系人: 李小翠
QQ交谈
价格:暂无报价请咨询[
021-51699285
]
库存号:
VIB20100106101538734
代号:
库存状态:
货期待查
联 系 人:李小翠 小姐
联系手机:
13611905823
联系电话:
021-51699285
联系传真:
021-51698592
公司地址:上海市宝山区恒高路127弄6号楼2202室
在线客服:
企业微信号:shleazn
其他
电压互感器
产品:
查看全部产品 >>
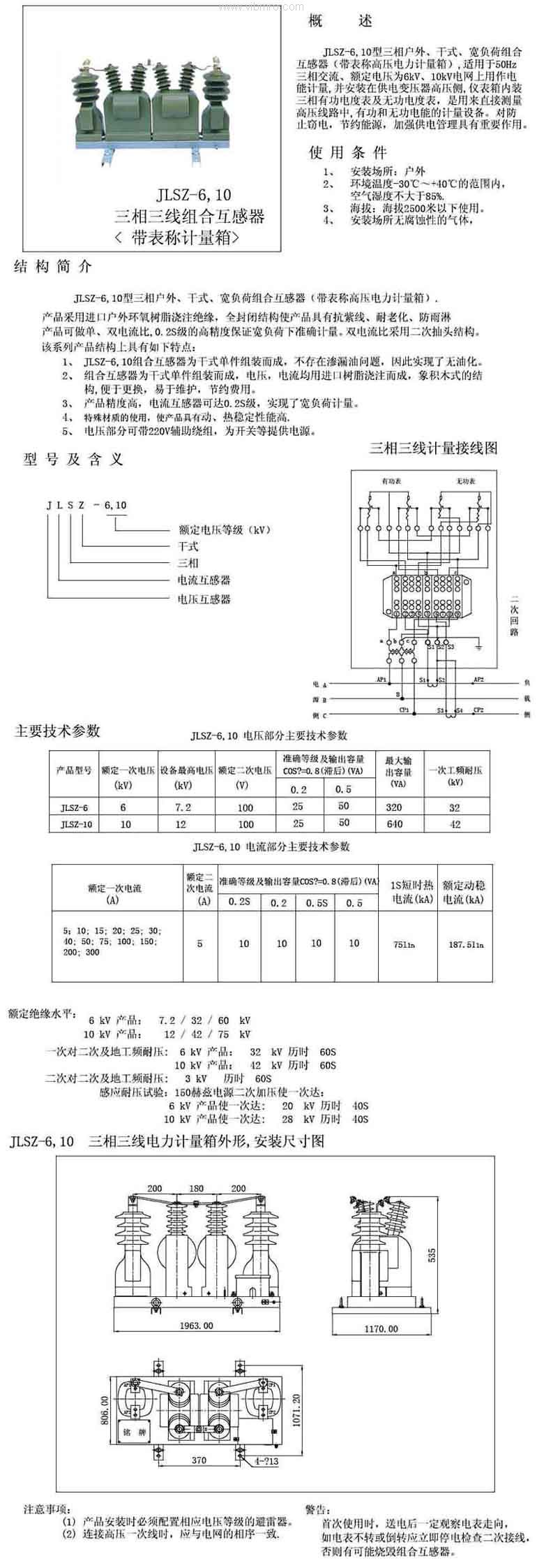
ANGESUN互感器JLSZ-10三相三线组合互感器(干式)计量器产品概述
JLSZ-6、10三相三线组合互感器(干式)计量器
以上是发布于2023-9-14 13:15:16的
JLSZ-10三相三线组合互感器(干式)计量器
详细信息 ,如果您对
JLSZ-10三相三线组合互感器(干式)计量器
厂家的价格、厂家、型号、图片有什么疑问,请
联系供应商
或
向工程师提问
电压互感器的相关产品
点击查看"
电压互感器
"产品专题
最新型号
双作用短行程气ADVC-40-25-I-P
双作用短行程气ADVC-40-5-A-P-A
双作用短行程气 ADVC-40-10-A-P-A
双作用短行程气ADVC-40-15-A-P-A
双作用短行程气ADVC-40-20-A-P-A
双作用短行程气 ADVC-40-25-A-P-A
双作用短行程气ADVC-40-5-A-P
双作用短行程气 ADVC-40-10-A-P
双作用短行程气 ADVC-40-15-A-P
双作用短行程气ADVC-40-20-A-P
双作用短行程气 ADVC-40-25-A-P
单作用螺纹气缸 AEVC-50-10-I-P-A
单作用螺纹气缸 AEVC-50-25-I-P-A
单作用螺纹气缸 AEVC-50-10-I-P
其他
电压互感器
产品
特殊(特种)电流互感器
JLS5-10三相四线(油浸)计量箱
JDZJ-10Q(干式)全工况电压互感器
JDZ-10(干式)电压互感器
LQJ-10Q高压电流互感器
LJM-1母排式(零序)电流互感器
查看全部
电压互感器产品
品牌产品目录
塑壳互感器系列
0.5KV母线式电流互感器
0.5KV树脂浇注式互感器
LYM-0.5系列大电流母排式互感器
0.5干式电压互感器
零序互感器
限流电抗器
BLZ-1K系列直流互感器
HL23-1系列仪用互感器
智能控制器
电机软启动器
特殊(特种)电流互感器
霍尔电流传感器
钳型互感器
微型精密互感器
矿用真空馈电开关用互感器
10KV干式电流互感器
35KV干式电流互感器
10KV-35KV系列高压计量箱
6KV-35KV油浸式电压互感器
10KV-35KV油浸式电流互感器
10KV-35KV(户外)干式电压互感器
10KV-35KV(户内)干式电压互感器
放电线圈(油浸式放电线圈、干式户内放电线圈)
三相抗谐振电压互感器
相关分类
电流互感器
电压互感器
限流电抗器